樓地面保溫施(shi)工是很多房地(dì)産項目都會做(zuò)的,為了提高🐪樓(lou)⁉️地面的保溫和(hé)隔聲效果,采用(yòng)了效果比較好(hǎo)的浮築樓地面(miàn)系統,該系統采(cai)用了HKS樓地面保(bao)溫隔聲⭐闆為主(zhǔ)材可以大幅度(dù)提高樓地面保(bao)溫隔聲效果。

一、HKS樓地面保(bao)溫隔聲闆的優(you)勢
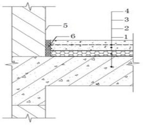
該型号闆材(cai)使用的是改性(xìng)聚丙烯材料制(zhì)作,減震♊彈性好(hao),可以将樓地面(miàn)撞擊聲降到62分(fen)貝,低于高要求(qiú)标準的🈲65分貝。同(tong)時導熱系數低(di)于其他材料,保(bǎo)溫❄️效果更好,厚(hou)度更薄,占🤩用層(céng)高👄更少,更适合(hé)用在室内中,無(wu)毒無味。
二、樓地(di)面保溫隔聲系(xì)統施工

三、700萬(wàn)方施工項目
連雲港市(shì)東盛四季花城(chéng)項目
如(rú)東市經濟開發(fa)區四期項目
HKS改(gǎi)性聚丙烯保溫(wēn)隔聲闆因為性(xìng)能優越,施工更(geng)加的方便,快捷(jie),解決了常規材(cái)料面層易開裂(lie)問題,浙江衆創(chuàng)材料科技有限(xian)公🍓司專業生産(chan)改性聚丙烯🏃🏻材(cai)料,研發生産改(gǎi)性聚丙烯保👉溫(wen)隔聲闆滿足樓(lou)地面保溫隔聲(sheng)需求。



浙公網安(ān)備33069902000300号